DUCT Modulo di sanificazione da canale

Descrizione

JONIX duct è un unità di sanitizzazione e decontaminazione con tecnologia a plasma freddo, per la purificazione e decontaminazione delle superfici interne dei canali di distribuzione e dell’aria in transito.
Studiato per essere facilmente installabile in tutti i tipi di canalizzazione, dove si voglia prevenire o eliminare la formazione di colonie batteriche sulle superfici del canale e quelle aerotrasportate.
JONIX duct è semplice ed essenziale. In ottica di gestione integrata degli impianti, il controllo e le funzioni possono essere gestite da remoto.

Caratteristiche

Le caratteristiche di rilievo del dispositivo JONIX duct sono:
• alta efficienza: abbattimento della carica microbica e dei composti organici volatili fino al 99% rispetto alla loro concentrazione iniziale;
• basso consumo energetico: dai 20 ai 40 VA;
• forte azione deodorigena: elimina gli odori dall’aria in transito;
• processo naturale: non usa o produce sostanze chimiche residue.

Modelli

- JONIX duct 70MIC2C portata aria fino a 500 m³/h.
- JONIX duct 70MIC4C portata aria fino a 1000 m³/h.
- JONIX duct 70MIC2F portata aria fino a 2000 m³/h.
- JONIX duct 70MIC4F portata aria fino a 4000 m³/h.

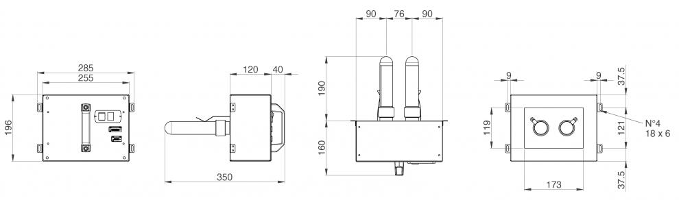
Dimensioni JONIX duct 70MIC2C:

Dimensioni JONIX duct 70MIC4C:

Dimensioni JONIX duct 70MIC2F:

Dimensioni JONIX duct 70MIC4F:

Caratteristiche tecniche:

*: I vari modelli possono essere montati in gruppo dello stesso tipo o combinati a seconda della portata d’aria da trattare.

 
Modello* JONIX duct
70MIC2C
JONIX duct
70MIC4C
JONIX duct
70MIC2F
JONIX duct
70MIC4F
Generatori del plasma 2 x tipo 175 4 x tipo 175 2 x tipo 520 4 x tipo 520
Sostituzione generatori Ogni 14000 ore
Manutenzione generatori Ogni 4000 ore
Elettronica di controllo incorporata Stato dei dispositivi visibile anche da remoto
Portata (m3/h) 500 1000 2000 4000
Dimensioni (mm) 290 x 350 x 200 290 x 350 x 200 290 x 700 x 200 290 x 700 x 200
Peso (kg) 4 5 5 6
Tipo di alimentazione 230 V / ~1 / 50 Hz
Massima potenza assorbita (W) 20 20 20 40

Listino prezzi:

Modello Descrizione Euro
duct 70MIC2C Dispositivo di sanificazione dell'aria e delle superfici interne delle condotte per una portata fino a 500 m3/h a.r.
duct 70MIC4C Dispositivo di sanificazione dell'aria e delle superfici interne delle condotte per una portata fino a 1000 m3/h a.r.
duct 70MIC2F Dispositivo di sanificazione dell'aria e delle superfici interne delle condotte per una portata fino a 2000 m3/h a.r.
duct 70MIC4F Dispositivo di sanificazione dell'aria e delle superfici interne delle condotte per una portata fino a 4000 m3/h a.r.
Richiesta informazioni per prodotto

DUCT

Dati
Messaggio