Estrattori elicocentrifughi reversibili da tetto con motore monofase regolabile, costruito con materiali resistenti agli agenti atmosferici.
Modelli 500 e 800
La struttura è realizzata in materiale termoplastico.
Il basamento e il cappello sono in acciaio zincato, protetti contro la corrosione mediante verniciatura epossidica-poliestere.
Modelli 1300 e 2000
La struttura e il basamento sono realizzati in acciaio zincato.
Il cappello è costruito in alluminio. Tutte le parti sono protette contro la corrosione con verniciatura epossidica-poliestere.
Tutti i modelli sono dotati di:
Rete di protezione antivolatile
Pressacavo per ingresso alla morsettiera (standard)
Motore e girante facilmente rimovibili per ispezione e pulizia, grazie a fascette di fissaggio
Modelli 500 e 800
Motori brushless DC ad alte prestazioni e basso consumo energetico.
Alimentazione: 90–260V 50/60Hz
Grado di protezione: IP44
Dotati di cuscinetti a sfera e protezione termica.
Modelli 1300 e 2000
Motori brushless EC ad alte prestazioni e basso consumo energetico.
Alimentazione: 230V ±15% 50/60Hz
Grado di protezione: IP44
Dotati di cuscinetti a sfera e protezione termica.
Estrazione di aria viziata (cucine, servizi igenici, laboratori) con temperatura massima 60°C. Nella configurazione standard sono forniti come estrattori. Per ottenere il funzionamento in immissione, è sufficiente ruotare di 180° il gruppo motore e girante.
- serranda di non ritorno
- REB-ECOWATT Regolatore di velocità per ventilatori montati con motori EC.
La velocità del ventilatore può essere regolata tramite un potenziometro, che fornisce un segnale analogico compreso tra 0 e 10V, corrispondente a un intervallo di funzionamento dal 10% al 100%.
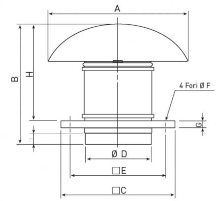
tutte le dimensioni sono espresse in mm
| modello | A | B | C | D | E | F | G | H | I |
| 500/150 | 400 | 349 | 300 | 150 | 245 | 10 | 20 | 274 | 33 |
| 500/160 | 400 | 339 | 300 | 160 | 245 | 10 | 20 | 274 | 33 |
| 800/200 | 400 | 375 | 300 | 198 | 245 | 10 | 20 | 310 | 36 |
| 1300/250 | 546 | 457 | 435 | 248 | 330 | 12 | 20 | 372 | 42 |
| 2000/315 | 735 | 544 | 560 | 312 | 450 | 12 | 20 | 450 | 50 |
* Livello di pressione sonora misurati ad una distanza di 4 metri, in punti 2, 5, 8 e 11 di curve charatteristiche.
| Modello EVTE ECOWATT | Tensione di controllo (V) |
Velocità (r.p.m.) |
Potenza assorbita massima (W) |
Intensità assorbita massima (A) |
Massima portata aria (m3/h) |
Temperatura di lavoro (ºC) |
Livello di pressione sonora* a 4 m (dB(A)) |
Peso (kg) |
|
| Aspirazione | Scarico | ||||||||
| 500/150 | 10 | 2670 | 45 | 0,4 | 470 | -20/+60 | 46 | 52 | 3,8 |
| 8 | 2275 | 31 | 0,2 | 410 | 44 | 48 | |||
| 6 | 1655 | 15 | 0,1 | 300 | 34 | 40 | |||
| 4 | 1135 | 7 | 0,1 | 200 | 29 | 30 | |||
| 500/160 | 10 | 2695 | 48 | 0,4 | 490 | -20/+60 | 47 | 51 | 3,8 |
| 8 | 2280 | 32 | 0,2 | 430 | 43 | 47 | |||
| 6 | 1700 | 16 | 0,1 | 310 | 36 | 39 | |||
| 4 | 1130 | 8 | 0,1 | 210 | 27 | 30 | |||
| 800/200 | 10 | 2490 | 98 | 0,6 | 750 | -20/+60 | 47 | 51 | 5,6 |
| 8 | 2190 | 68 | 0,4 | 650 | 43 | 47 | |||
| 6 | 1860 | 46 | 0,3 | 570 | 36 | 39 | |||
| 4 | 1520 | 28 | 0,2 | 470 | 27 | 30 | |||
| 1300/250 | 10 | 2440 | 137 | 0,6 | 1.030 | -20/+60 | 58 | 63 | 11,2 |
| 8 | 2030 | 85 | 0,4 | 830 | 54 | 58 | |||
| 6 | 1620 | 51 | 0,3 | 670 | 50 | 51 | |||
| 4 | 1210 | 29 | 0,2 | 490 | 39 | 43 | |||
| 2000/315 | 10 | 2460 | 230 | 1,0 | 1.530 | -20/+60 | 60 | 65 | 17,2 |
| 8 | 2000 | 131 | 0,6 | 1.230 | 54 | 58 | |||
| 6 | 1620 | 76 | 0,4 | 1.020 | 52 | 52 | |||
| 4 | 1215 | 39 | 0,2 | 740 | 43 | 45 | |||
Pa: perdite di carico in Pascal
| modello EVTE ECOWATT | Tensione di controllo (V) |
pressione Pa | |||||||||
| 10 | 50 | 100 | 150 | 200 | 250 | 300 | 400 | 500 | 600 | ||
| portata aria (m³/h) | |||||||||||
| 500/150 | 10 | 465 | 425 | 365 | 245 | 100 | - | - | - | - | - |
| 8 | 395 | 345 | 250 | 80 | - | - | - | - | - | - | |
| 6 | 280 | 200 | 20 | - | - | - | - | - | - | - | |
| 4 | 185 | - | - | - | - | - | - | - | - | - | |
| 500/160 | 10 | 480 | 435 | 380 | 260 | 120 | - | - | - | - | - |
| 8 | 415 | 360 | 270 | 90 | 20 | - | - | - | - | - | |
| 6 | 290 | 220 | 40 | - | - | - | - | - | - | - | |
| 4 | 190 | - | - | - | - | - | - | - | - | - | |
| 800/200 | 10 | 750 | 670 | 600 | 510 | 280 | - | - | - | - | - |
| 8 | 690 | 580 | 500 | 260 | 90 | - | - | - | - | - | |
| 6 | 565 | 465 | 250 | 75 | - | - | - | - | - | - | |
| 4 | 450 | 340 | 75 | - | - | - | - | - | - | - | |
| 1300/250 | 10 | 1000 | 910 | 810 | 700 | 525 | 340 | 225 | - | - | - |
| 8 | 835 | 725 | 580 | 345 | 200 | 80 | - | - | - | - | |
| 6 | 640 | 525 | 250 | 90 | - | - | - | - | - | - | |
| 4 | 450 | 225 | - | - | - | - | - | - | - | - | |
| 2000/315 | 10 | 1500 | 1450 | 1350 | 1275 | 1200 | 1100 | 980 | 680 | 375 | 160 |
| 8 | 1200 | 1130 | 1025 | 925 | 775 | 610 | 425 | 145 | - | - | |
| 6 | 950 | 850 | 725 | 575 | 325 | 150 | 25 | - | - | - | |
| 4 | 700 | 580 | 300 | 80 | - | - | - | - | - | - | |